濟南晶恒 1997—
中國半導體元器件研發制造基地
Language:   CN | EN
電子芯片,穩壓二極管,開關二極管

標題

規格書

IF(A)

VRRM(V)

IFSM(A)

VF(V)

@IF(A)

IR@25℃(uA)

trr(ns)

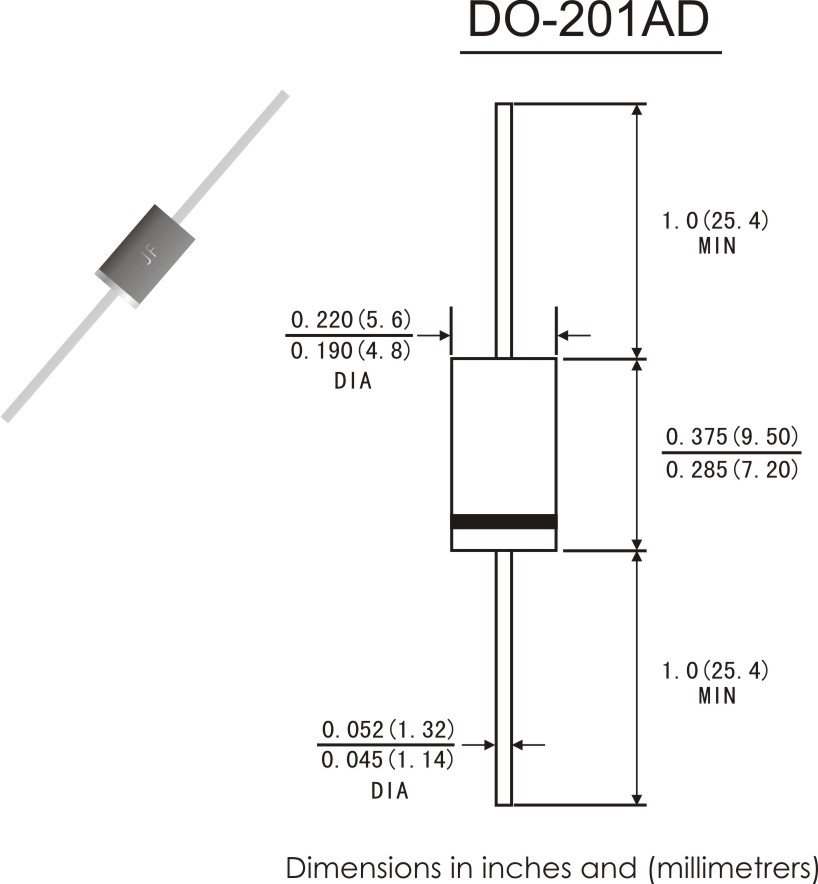
OUTLINE

HER501 下載 5.0 50 200 5.0 10 50 DO-201AD
HER502 下載 5.0 100 200 5.0 10 50 DO-201AD
HER503 下載 5.0 200 200 5.0 10 50 DO-201AD
HER504 下載 5.0 300 200 1.30 5.0 10 50 DO-201AD
HER505 下載 5.0 400 200 1.3 5.0 10 50 DO-201AD
HER506 下載 5.0 600 200 5.0 10 75 DO-201AD
HER507 下載 5.0 800 200 5.0 10 75 DO-201AD
HER508 下載 5.0 1000 200 5.0 10 75 DO-201AD
HER501G 下載 5.0 50 200 1.0 5.0 10 50 DO-201AD
HER502G 下載 5.0 100 200 1.0 5.0 10 50 DO-201AD
HER503G 下載 5.0 200 200 1.0 5.0 10 50 DO-201AD
HER504G 下載 5.0 300 200 1.30 5.0 10 50 DO-201AD
HER505G 下載 5.0 400 200 1.3 5.0 10 50 DO-201AD
HER506G 下載 5.0 600 200 1.7 5.0 10 50 DO-201AD
HER507G 下載 5.0 800 200 1.7 5.0 10 50 DO-201AD
HER508G 下載 5.0 1000 200 1.7 5.0 10 50 DO-201AD
US5AC 下載 5.0 50 150 1.0 5.0 5 50 SMC
US5BC 下載 5.0 100 150 1.0 5.0 5 50 SMC
US5DC 下載 5.0 200 150 1.0 5.0 5 50 SMC
US5GC 下載 5.0 400 150 1.4 5.0 5 50 SMC
記錄總數:132 | 第6頁/ 共7頁 首頁 上一頁 下一頁 尾頁

聯系晶恒Contact

咨詢熱線:400-055-0531

電話:0531-86943657

傳真:0531-86412824

郵箱:sale@jinghenggroup.com

地址:山東省濟南市歷下區和平路51號